新型垃圾焚烧发电废水浓液处理工艺技术
垃圾电厂是以焚烧生活垃圾为处理方式的电厂,垃圾电厂的污染源主要有两种:其一是焚烧中产生的大量烟气;其二是垃圾渗滤液,就垃圾渗滤液,是在处理过程中伴随产生的,而由于环保要求,各垃圾电厂都是限制外排,而如何处理浓液,大多数垃圾电厂是采取泵进石灰浆池,而石灰浆是喷进反应塔除去烟气酸性气体(SO2\HCl)的,当浓液进入石灰浆池中,会降低石灰浆本身的效果,为了烟气达标排放,又不得不加大石灰浆用量,显然不是最佳途径。
一、生活垃圾成分复杂
焚烧过程中会产生大量烟气,而烟气的处理主要以半干法为基础(SNCR/炉内脱硝+半干法(旋转喷雾)/脱酸性气体+干法(消石灰喷射)/脱酸性气体的备用手段+活性炭喷射/捕获重金属+袋式除尘器/除烟尘)。该工艺流程中,其核心环节是反应塔。反应塔顶部装有旋转喷雾器,旋转喷雾器在工作时高速旋转,注入旋转喷雾器内中的石灰浆在离心力的作用下被甩出,形成雾状与烟气中的酸性气体发生酸碱中和反应。

另石灰浆的品质好与差直接影响到反应,该反应是除去酸性气体的保证。垃圾电厂另一个污染源就是垃圾渗滤液。由于国内垃圾生活垃圾分类程度较低,渗滤液浓度高,成分复杂,处理难度大。但经过近年来国内技术的不断发展与完善,最终形成了较为成熟可靠的渗滤液处理工艺,其主要工艺流程如下:

在这个工艺流程中,由于纳滤与反渗透都是膜过滤,处理过程中会伴随产生约35%的渗滤液浓液,由于渗滤液浓液含有Ca+、Mg+、Al+、Cl-等离子很高的液体,不能作为工业水回用。也不能外排的。
对于垃圾渗滤液处理,现尚未有标准与相应明确的办法。多项目的环评报告中,常有两种消纳办法:一种是回喷到焚烧炉中,另一种是泵入石灰浆作为制浆液。对于第一种方法,会引起锅炉水冷壁受热面的腐蚀,长期采用该方式消纳渗滤液浓液运行必将影响锅炉受热面的寿命。
因此,大多数垃圾电厂采用第二种方法:将浓液泵至石灰制浆系统,用作石灰制浆用水,但浓液中含有Ca+、Mg+、Al+、Cl-等离子,会影响石灰浆除酸的效果(我们在垃圾电厂作了试验,在不加浓液的石灰浆,读出烟气在线测出烟气中SO2、SO3、HCl的数据,再用加浓液与石灰浆溶液混合,对比两组数据,不加浓液的石灰浆效果更好,见图中烟气排放数据)。
不加浓液的烟气排放数据:

加浓液的烟气排放数据:

垃圾电厂为了保证烟气达标排放,又不得不加大Ca(OH)2用量,但是消石灰溶解度很低,如果浓度过高,会引起旋转雾化器的雾化头挂浆(即为溶解的石灰浆粉粘附在旋转雾化器喷嘴上),随之会产生振动及不正常,因此加大Ca(OH)2石灰量的做法是有限的,另外就是加大喷浆量,但喷浆量过大,烟温也会降低,工艺中要求烟温控制在145~150℃,因此如果喷浆量多,烟温就会降低,该方法还是受到受限。如何消纳浓液是垃圾焚烧发电厂渗滤液处理环节中的难题。
二、新思路——冷却水
将浓液泵至旋转喷雾器,作为工艺冷却水,工艺流程如图:
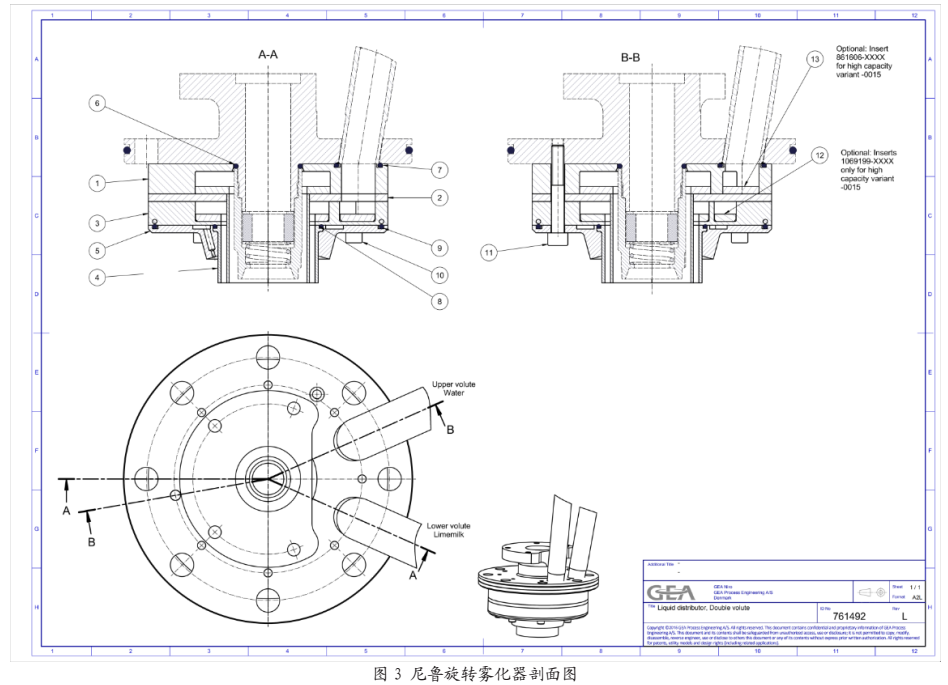
渗滤液站→浓液容器→HDPE管道→旋转喷雾器入口(见图3)

采用这样的工艺,比原来将浓液直接泵入石灰浆罐体内相比可缩短浓液与石灰浆溶液混合的时间,减少了浓液在石灰浆溶液的反应,石灰浆液能够与酸性气体能达到正常反应的效果,达到净化烟气的目的。
在石灰浆与浓液的试验数据得到证实后,即需要寻找可靠方案的实施。我们联合设备厂家,将旋转雾化器入口管道材质改为哈氏合金的,经过加温到150℃~220℃长期浸泡试验,结果是发现未被腐蚀现象,而潮南项目在2015年属中环第一个零排放的项目,因此实施了带渗滤液处理的新型尼鲁雾化器(普通的尼鲁雾化器不能处理渗滤液浓液),见图3。
旋转雾化器的改进设计。将进入旋转雾化器工艺冷却水改为渗滤液浓液,并用HDPE的管,与石灰浆管共同注入旋转雾化器,至雾化轮再汇集一起喷出,渗滤液与石灰浆混合时间只有50毫秒,极大的减少了渗滤液浓液与石灰浆的反应,同时也使得管壁不结垢。
三、方案实施
本人多次深入研究垃圾电厂石灰制浆系统,并分析了各类进口旋转喷雾器,对喷雾器工艺冷却水作了定量分析,得出以下工艺方案,工艺流程见附图4:《渗滤液浓液作为反应塔工艺冷却水使用的工艺流程图》。

四、结论
此项技术的采用,找到垃圾发电厂的渗滤液浓液处理的新路径,为污水零排放的目标提供了有力保障。目前环保要求日趋严格,污水零排放已是新建垃圾焚烧发电项目的必然趋势,因此,此项技术值得在垃圾焚烧行业内采用,并具备良好的推广前景。
潮南项目目前每天都在利用该工艺线路处理废水,减少了渗滤液浓液及污水浓液带其他途径的处理压力,实践证明该方案成功,潮南项目后国内也陆续有其他项目采用该工艺线路处理废水。(来源:中国环境保护集团公司)


